
一、 《“数控一代”机械产品创新工程》的战略意义
1.1 机械产品创新是机械工业科学发展的关键
我国今后的发展,要以科学发展为主题,以加快转变经济发展方式为主线。加快转变经济发展方式,必须加快推进产业结构的调整优化,核心是产品的技术创新和升级换代。
经过新中国60多年特别是改革开放30多年的奋斗,中国机械工业实现了历史性的跨越式发展,制造业生产总值成为世界第一,我们国家已经成为“制造大国”。但是,我们还不是“制造强国”,机械工业还没有摆脱粗放型、外延式发展的模式,核心技术和关键技术掌握得不多,自主创新的产品少,附加值不高,核心竞争力不强。综观世界,中国制造既面临其他新兴发展中国家的低中端竞争,又面临西方发达国家重振先进制造业的压力,在全球制造产业新的调整中既面临大好发展机遇,又面临极为严峻的挑战。面临的挑战很多,问题主要有两个:产品质量问题和产品创新问题,因而,产品创新和产品质量应该成为今后一段时期机械工程科技进步的主要方向。
应用数控技术实现我国机械产品的全面创新和升级换代,非常必要,完全可能,对于我国机械工业的科学发展,具有重要的战略意义。
1.2 数控化是全面创新机械产品的有效途径
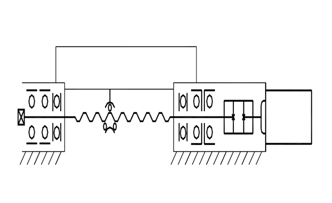
机械产品的创新可以有多种途径,主要的有两种方法:一是创新工作原理或者说工作装置;二是创新运动的驱动和控制系统。传统机械产品的构成如图1所示,包括动力装置、传动装置、工作装置。工作装置的创新是根本性的,极为重要,千百年来,人们一直在不断创造出各种新的机械,形成了适用于完成各种不同任务的成千上万的机械产品。数控化则是对于机械运动的驱动和控制系统的创新,数控机械产品的构成如图2所示。

图1.传统机械产品的构成

数控化是创新机械产品的有效途径,其核心的技术路线是用伺服电机驱动系统取代传统机械中的动力装置与传动装置,更重要的是用计算机控制系统对机械运动与工作过程进行控制。数控技术的核心是数字化,是先进的信息技术与自动控制、机械制造技术相结合的集成技术,是机械产品创新的使能技术。数控技术的应用引起机械产品本身的内涵发生根本性变化,使机械产品的功能极大丰富,性能发生质的变化,可以从根本上提高机械产品的水平和市场竞争力。
应用数控技术对机械产品进行创新具有以下显著特点:
(1) 先进有效:产品功能、性能、质量均极大提高,同时,机械结构大大简化,节省能源和材料;
(2) 由于实现了数字控制,为各种先进信息技术的进一步应用乃至于将来实现智能化奠定了基础;
(3) 可行性强:创新方案与技术路线具体明确、相关技术成熟可靠;
(4) 应用面广:适用于各行各业机械产品的全面创新。
综观全球实现产业结构调整和机械产品升级的历程(图3):蒸汽机技术使机械工业由人力制作时代进入机械化时代,电气技术使机械工业由机械化时代进入电气化时代,数控技术正在使机械工业由电气化时代跃升为数字化时代;在可预见的将来,机械工业将由数字化时代进入智能化时代。可以看到,对于驱动和控制系统的创新具有鲜明的特征,具有本质的规律,可以普遍运用于各种机械产品创新,可以引起机械产品的升级换代,引起机械工业的深刻变革。这也是我们提出“数控一代”这样一个概念的缘由和根据。
图3:机械产品的升级换代
1.3 当前是中国机械产品升级换代的最佳机遇期
当前,我国机械工业正处于产品数字化发展时期,全世界的机械工业也正处于产品数字化发展时期。由“电气一代”到“数控一代”是一场深刻的变革,必然要经过艰难的攀登过程。在这方面,西方发达国家已经先行了60年,还要经过数十年才能完成这样一个历程。对于中国机械工业来说,经过我们大家的艰苦奋斗,一定能够在较短时间内完成这一场变革,完成向“数控一代”的进军,这是中国机械产品升级换代的最佳机遇,是中国机械工业跨越式发展的最佳机遇。主要理由是:
(1) 需求强大:需求是最强大的发展动力。由于国民经济持续快速发展,由于国际国内市场的激烈竞争,数控机械产品的市场需求越来越旺盛,企业产品创新积极性越来越高涨。我们现在面临的形势是:一要数控技术应用于中、低档机械产品,以提升产品的市场竞争力;二是要攻克高端数控机械产品,以满足经济、社会、国防等方面日益提高的需求。
(2) 技术支持:数控技术的落后是长期以来制约我国机械产品创新与质量的一个重要因素。经过多年来对数控技术的持续攻关,特别是由于电机技术、功率器件技术、控制技术、计算机技术的突破性进展,我国的数控产业已经基本形成,国产经济型数控系统已主导国内市场,中档数控系统形成了产业规模,高档数控系统也已经掌握关键技术。我国的数控技术已发展到了技术成熟、质量可靠的阶段,全面推广应用的条件已经成熟。
(3) 人才队伍与应用示范带动:数控机械产品的创新需要掌握数控技术、机械设计与制造技术、产品领域知识等复合型知识结构的人才,这也是长期以来影响我国机械产品创新的一个重要原因。经过多年努力,我们在人才队伍和应用示范方面已具备了良好的基础。
1.4. 《“数控一代”机械产品创新工程》的战略目标
2011年初,18位院士提出了关于实施《“数控一代”机械产品创新工程》的建议,中央领导同志高度重视、亲切关怀,科技部、工信部、发改委等深入调研、认真部署,已于近日正式启动了《“数控一代”机械产品创新应用示范工程》。
《“数控一代”机械产品创新工程》既是数控技术应用工程,更是机械产品创新工程;既有机械工业发展强大需求的推动,又有成熟数控技术的支撑;要充分发挥我国的制度优越性,采取协同创新技术路线,在整个机械行业推进有组织的创新。
《“数控一代”机械产品创新工程》的战略目标是:在机械行业全面推广应用数控技术,在5--8年内,实现各行各业各类各种机械产品的全面创新,使中国的机械产品整体升级为“数控一代”,为我国机械工业从“大”到“强”的跨越式发展做出重大贡献。
二、 应用数控技术实现机械产品创新的技术路线
2.1 从X52K到XK714到XHK714到XHK714/3-5
数控机械产品的出现是以数控加工机床的诞生为标志的。20世纪40年代末,美国帕森斯公司提出了应用计算机控制机床加工样板曲线的设想,并与麻省理工学院合作,于1952年研制成功世界上第一台三坐标立式数控铣床。它的诞生标志着机械制造数字控制时代的开始。
(1) X52K立式铣床概述
如图4所示的X52K普通立式铣床传动系统图,为实现不同的刀具切削速度,X52K立式铣床设计了复杂的主传动和进给传动变速系统。

图4. K52K立式铣床传动系统
(2) X52K立式铣床的数控改造
数控改造是一条可用较少投入有效提高现有机械性能的途径,很能说明数控产品创新的技术路线。X52K立式铣床的数控改造包括两个方面,首先是机床进给系统的改造,其方案是:将原工作台进给电机与齿轮进给箱拆除,将原普通丝杠替换为滚珠丝杠,然后用三个伺服电机分别驱动机床的升降、纵向和横向坐标轴,不仅机械传动系统大大简化,而且可实现精确的无级变速。改造后单个坐标轴的传动方案如图5所示。

图5. X52k铣床数控改造后单个坐标轴的传动方案
另一个方面是增加一个计算机数控系统对机床运动和工作过程进行控制。数控改造后的X52K铣床具备三坐标(三个进给轴)联动的能力,可根据输入的零件加工程序对各进给坐标轴进行精确协调的运动控制,从而可加工具有曲线曲面轮廓的复杂形状零件,机床的加工精度、效率、柔性、自动化程度均大大提高。
(3) X52K的产品升级 —— XK714数控立式铣床
从系统的角度出发重新进行设计,对X52K立式铣床进行产品升级,得到数控立式铣床产品XK714,如图6所示。就

图6.数控立式铣床XK714整机 图7.数控立式铣床XK714传动系统图
总体方案而言,XK714数控立式铣床与X52K立式铣床的数控改造大体一致,即:① 工作装置基本不变;② 进给运动和主轴运动均用速度精确可控的伺服电机取代原普通电机和机械变速与传动机构(如图7所示);③ 增加一个计算机控制系统对机械运行过程进行自动控制。由于是重新设计的新产品,XK714数控立式铣床更好地体现了机与电的有效融合,即:其机械系统的设计更好地考虑了伺服电机驱动系统的特点,而其伺服电机驱动系统的设计则与机械系统的特性有更合理的匹配。
XK714数控立式铣床可进行铣、镗、钻、扩等多种工序的加工,特别是具有三轴(三坐标)联动的功能,适合加工各种形状复杂(如箱体、壳体、曲线曲面轮廓等)的零件,同时,可有效节省工艺装备与缩短生产准备周期,提高零件加工质量与生产效率。
(4) XK714的产品升级 —— XHK714三坐标立式加工中心与XHK714/3-5五坐标立式加工中心
在XK714数控立式铣床的基础上,增装刀库和自动换刀装置,升级为三坐标立式加工中心XHK714。由于具备自动换刀功能,XHK714的自动化程度有显著提升,适宜于加工形状复杂、工序多、要求高、需用多种类型普通机床和刀具夹具且经多次装夹和调整才能完成加工的零件。
进一步在工作台上增加一个两坐标数控转台,即升级为五坐标联动的立式加工中心XHK714/3-5(如图8所示)。与三坐标相比,五坐标联动机床可使刀具相对于工件呈任意姿态,从而可给加工更大的自由度,理论上能够一次装夹完成工件装夹部分外的其余表面的完全加工;可以加工在三坐标机床上由于存在刀具干涉而难以完成的复杂曲面零件,例如发动机叶轮;可以选择更有效的刀具和采用最有效的刀具相对工件的姿态进行加工。

图8.XHK714/3-5五坐标立式加工中心
进而,通过传感、控制、信息处理、人工智能等技术的升级,可使产品性能和智能化程度不断提高,如实现智能编程、自适应控制、机械几何误差补偿、热变形误差补偿、三维刀具补偿、运动参数动态补偿、故障监控与诊断等。
.2 应用数控技术创新机械产品的技术路线
总结从X52K到XK714到XHK714和XHK714/3-5的产品创新升级过程,比较图1和图2,数控机械产品与传统机械产品之间存在一个相同点和两个不同点。
(1) 相同点:两者的工作装置基本相同。
(2) 不同点之一在于动力传动系统。在数控机械产品中,传统机械中作为动力源的普通电动机被具有动力与变速功能的伺服电动机取代,使传统的机械变速机构得以取消或极大简化,机械传动链大幅度缩短;同时,每个机械运动由单独的伺服电机驱动、并由计算机控制系统进行协调和控制,用 “电联系”取代了各执行装置之间的机械传动联系,传动机构大大简化。
(3) 不同点之二是数控机械产品拥有一个具有强大信息处理与控制功能的计算机控制系统,也可以说是增加了一个“大脑”。计算机控制系统使数控机械的运动可根据需要进行任意的控制,从而使数控机械具有多功能、高柔性、高精度、高效能、高可靠和操作方便等特征;同时,计算机控制系统强大的信息处理能力使得其智能化成为可能,使产品性能进一步发生质的变化。
归纳起来,应用数控技术创新机械产品的设计流程如图9所示。先是进行总体方案设计,确定运动与控制方案,再是进行四个方面的设计:
(1) 适配伺服驱动系统:用速度可控的伺服电机取代普通电动机是数控机械产品与传统机械产品的一个重要差别。适配伺服驱动系统的内容包括:根据被控对象的要求确定系统的组成、控制方式(开环、半闭环、全闭环、混合闭环)、驱动电机类型(步进电动、直流伺服电机、交流伺服电机)与大小、功率驱动装置、检测装置以及校正(补偿)方式及其参数,并进行仿真试验检验各种工作状态下系统的性能。

图9.应用数控技术创新机械产品的设计流程
(2) 适配计算机控制系统:数控机械产品与传统机械产品最本质的差别在于前者拥有一个具有强大信息处理与控制功能的计算机控制系统(简称数控系统)。适配数控系统首先需要根据数控机械产品的性能指标确定其数控系统需要具备的功能,包括运动控制、逻辑控制、测量、人机交互、编程、补偿、保护、通信、监测与诊断等常规方面的功能以及其它可能需要实现的特殊功能。然后确定系统的实现方案,从数控机械产品开发者的角度,其数控系统的实现可直接购买市场上的数控系统产品、委托数控系统生产商进行开发或联合开发。
(3) 研制应用软件系统:从数控机械产品的使用角度,一般需要通过一个自动编程软件系统来有效获得控制数控机械运行的工作程序。数控编程系统的性能不仅直接决定数控机械产品的可使用性与柔性,影响产品的工作质量和效率,而且由于数控机械产品种类繁多,具体任务各不相同,其编程系统也千差万别,因此编程系统是数控机械产品开发的重要内容。
(4) 设计机械、检测系统:机械系统高刚度、低摩擦、低惯量化;选配合适的传感检测装置等。
三、 机械产品的全面创新与升级换代
机械产品数以万计,大都可以通过数控化实现产品创新,提升到“数控一代”的水平,从根本上提高产品的功能、性能和竞争力。
3.1 制造装备类机械产品的数控化升级换代
制造装备是发展国民经济与国防建设的基础装备,产品范围涉及各行各业,其技术水平决定着整个国民经济和国防现代化的水平。各种制造装备(如表1)均可以通过数控化以创新升代。
表1:可数控化以创新升代的部分制造装备产品
行业名称 典型产品 3521 金属切削机床 车床,钻床、镗床、磨床、齿轮加工机床、螺纹加工、铣床、刨床、插床、拉床、电加工、锯床、组合机床cechuang 3522 金属成形机床 锻压、锤击、模压、弯曲、折叠、 矫直、剪切、冲压、开槽、拉丝机床 3523 铸造机械 自动造型线、造型机、落沙机、清理机、压铸机 3524 金属切割及焊接设备 金属切割设备、金属焊接设备。 3611 采矿、采石设备 矿石开采设备、矿石筛选、分类、分离、洗选、轧碎机械 3612 包装机械 固体物料充填包装、液体灌装、封口、贴标、容器成型包装、裹包、收缩包装、真空包装、捆扎打包、包装线、包装容器加工、包装专用材料加工 3613 建筑工程用机械 挖掘,推土、铲装,筑路压实,桩工,路面机械,砼机械,砼制品机械,钢筋及预应机械 3614 建筑材料生产专用机械 水泥、水泥制品、玻璃及玻璃纤维、建筑陶瓷、砖瓦的各种生产、搅拌成型机械 3615 冶金专用设备 金属冶炼、轧制、铸造专用设备 3622 橡胶加工专用设备 炼胶机 3623 塑料加工专用设备 注塑机、压延机、挤出机、吹塑机 3624 木材加工机械 加工木材、木质板材及木制品专用机械 3629 其他非金属加工专用设备 石墨焊条或类似矿物材料加工用机械;铸造用砂模的成型机械 3631 食品、饮料、烟草工业专用设备 米面食品、果品蔬菜、饼干糕点、糖果巧克力、豆制品、屠宰肉类、蛋品、乳品等的加工设备、饮料机械、冰淇淋冷饮机械、卷烟加工 3632 农副食品加工专用设备 种子精选机,粮食加工机械,棉花加工机械,油料加工机械,茶叶加工机械,薯类加工机械 3633 饲料生产专用设备 饲料粉碎机、饲料颗粒机、饲料搅拌机等 3641 制浆和造纸专用设备 制浆、造纸、纸加工及纸制品生产机械和设备 3642 印刷专用设备 胶印机、制版设备、装订机械 3643 日用化工专用设备 洗涤用品、口腔清洁用品、化妆品、香精、香料、动物胶、感光材料及其他日用化学制品专用生产设备 3644 制药专用设备 化学原料药和药剂、中药饮片及中成药专用生产设备 3646 玻璃、陶瓷和搪瓷制品生产专用设备 玻璃制品、玻璃器皿专用机械,陶瓷器等类似产品专用机械,搪瓷制品生产设备 3649 其他日用品生产专用设备 工艺美术品生产专用机械 3651 纺织专用设备 纺织纤维预处理、纺纱和针织机械 3652 皮革、毛皮及其制品加工专用设备 制革、皮毛鞣制及其制品的加工生产过程中所使用的各种专用 3659 服装加工专用设备 缝纫机,生产加工各种面料服装、鞋帽,以及洗衣店所使用的类似机械 3661 电子电工机械专用设备 光学加工机械、集成电路专用设备
例1:注塑机的数控化创新升代
注塑成形是最有效的塑料成形方法,注塑机在塑料成形机械中占有十分重要的地位。我国是全球最大的注塑机生产国,产量占世界年产量的70%以上。
与传统的液压式注塑机相比,数控注塑机的工作装置基本不变,其主要变化在于: (1) 采用伺服电机驱动配合滚珠丝杆和同步齿形带传动取代了液压注塑机的液压泵、液压缸、液压马达等构成的液压驱动系统(如图10所示); (2) 采用计算机数控系统取代了液压注塑机的模拟量电液控制系统。与液压注塑机相比,数控注塑机具有如下优点:
(1) 提高精度及稳定性:可实现复杂的控制功能,柔性好,具有优良的控制精度和稳定性,生产的产品质量好且稳定。
(2) 提高生产效率:由于伺服电机有优良的高速性,且其控制系统容易实现复杂的同步重叠动作,可大大提高生产效率;同时,数控系统可“智能”设置、调整和优化工艺参数,使生产效率与质量进一步提高。
(3) 节能与环保:消耗电力可以减少40%左右,噪音低、无油污染。
图10. 数控注塑机主要部件结构
1-模具开合伺服电机;2-塑化伺服电机;3-射胶伺服电机;4-调模变频电机
5-脱模伺服电机;6-螺杆加热器;7-射台移动电机
3.2 其它机械产品的数控化升级换代
除制造装备外,国民经济各行业以及国防军工中的众多其它机械产品也可以数控化以实现创新升代(如表2)。
表2:可数控化以创新升代的部分其它机械产品
行业名称 产品举例 国防军工装备 火炮、雷达、坦克、舰艇、飞行器、航天器 交通运输设备 飞机、火车、汽车、轮船 起重运输设备、工程机械 塔式起重机、汽车起重机、装载机、叉车 医疗仪器设备 CT、心电图机、伽玛刀 科研教学仪器设备 质谱仪、微阵列制作仪 办公用机械 打印机、复印机、绘图机、银行办公机器 服务业专用设备 智能售汽售油机
例2:多管火箭炮的数控化创新升级
多管火箭炮的快速准确装填和高精度自动操瞄是提高火箭炮机动性能和打击能力的关键,其装填和操瞄装置可以通过伺服电机驱动和计算机控制以实现数控化创新升级(如图11所示)。
新一代火箭炮可以大大提高其机动性能,缩短战斗反应时间,提高射速和火力密度,提高射击准确性以及对目标的突袭能力和效果,并且可以与先进的战场管理系统一道,使火箭炮具有与多个目标同时快速交战的能力,同时还可减轻操作人员的工作强度,提高工作效率,有效提高火箭炮的战斗力与生存力。

图11.数控化多管火箭炮
3.3 全面创新、升级换代
《“数控一代”机械产品创新工程》需要克服许多困难,最突出的还是要克服人们思想认识上的困难。有的同志畏难情绪严重,认为数控化创新很神秘、很难搞,缺乏勇气,缺乏信心;有的同志看不起推广应用工作,觉得不上档次,没有水平,缺乏兴趣,缺乏激情。我们要解放思想,勇于创新,坚持“顶天立地”的正确方向,尽好尽快地推进各种机械产品的数控化创新,同时创造一大批高端数控机械产品。
华中科技大学东莞工研院与广东的企业密切结合,研制出几十种数控机械产品,大大提高了产品的水平和竞争力,受到企业界的热烈欢迎。这里介绍的两个创新产品实例,产生了良好的经济效益与社会效益。
例3:编织机的创新升代
我国是毛纺编织大国,仅东莞大朗镇每年生产毛衣超过3亿件。目前,国内毛衣生产主要依靠简单的机械完成,全国有100余万台手动编织机(横机)。手动横机效率低下,操作工人的劳动强度很大。
数控横机(如图12所示)的单机编织速度比手工横机提高5-8倍;每个工人可同时操作5台设备,大大提高生产效率;与毛衣设计CAD/CAM系统集成,大大提高毛衣花色品种、质量与市场竞争力。

图12. 数控编织机
1、横机机身 2、电源按钮组 3、罗拉 4、针板(针床)
5、操纵杆 6、机头 7、防护罩 8、天杆 9、右收线
10、输纱器 11、天线台 12、触摸显示屏 13、夹线
14、左收线 15、运行指示灯
例4:木工机械的创新升代
传统木工机械由于功能单一,效率低下,污染严重。
数控高速木材复合加工中心(如图13所示)的加工精度高、生产柔性好、工序复合、具备很高的生产效率,并且安全可靠,粉尘、噪声污染低,具有很好的市场前景。

图13.数控木工机械
数控化使机械产品装备了“大脑“,开辟了机械产品创新的广阔空间,不断引领机械产品攀登新的高峰;与此同时,在机械设计理论上和学术上能够做出高水平的贡献。这里举两个创新实例。
5:光刻机精密工作台
光刻机是IC制造中最关键、最复杂和最昂贵的设备(如图14所示)。超精密工作台是高精度光刻机核心关键装置,要求实现加速度高至2g、速度1m/s以上、精度为纳米级的6自由度运动;对于100nm线宽的扫描曝光,要求定位精度<10nm,硅片台和掩模台间的同步平均误差<5nm、均方误差<12nm,几乎接近物理极限,常规机械制造工艺无法实现。
要实现光刻机的高速、大行程、6自由度纳米级精度运动,除合理的运动结构与精密检测技术外,关键在于控制、核心在于补偿。其补偿的内容包括台体质量与质心位置误差、6自由度运动耦合干扰误差、粗微动耦合干扰、电机与驱动非线性误差、电路噪声与延时误差、测量干扰误差、环境与温度变化误差等。通过补偿控制,我国研制的100nm光刻机工作台实现了高速高精的技术要求;同时,零部件制造精度并非很高,装配与安装要求甚至不比普通精密机床要求高。

图14.光刻机
例6:精密铸造数控凝固装置
航空发动机的单晶叶片,主要由精密铸造成型,制造要求极高。应用数控技术对凝固过程进行精确控制,以实现叶片材料结构和性能都能符合极高的设计要求,提高了单晶叶片的质量和制造效率。
数控化应用于铸造机械、锻压机械、焊接机械、热处理机械等热加工装备的创新,在国际上也是最新的发展趋向,有着巨大的发展前景。
四、 《“数控一代”机械产品创新工程》的组织实施
《“数控一代”机械产品创新工程》既是技术推广工程也是产品创新工程:对数控技术而言是技术推广工程,对于各行各业的机械产品而言是产品创新工程。《“数控一代”机械产品创新工程》是一个复杂的大系统工程,必须依靠有组织创新和协同创新。
4.1 有组织创新
充分发挥我国的制度优越性,总体规划、分步实施、重点突破、全面推进,动员千军万马,实行有组织的创新。
(1) 总体规划、顶层设计:制定国家与各行业、各地方、各企业的数控化机械产品创新升级的总体规划和推广计划(路线图)。国家和行业主管部门与地方科技部门联动,行业和地方组织企业实施,中央和地方共同支持。要努力加强相关行业数控机械产品技术标准的制定,以推进数控技术的普及和提高。
(2) 重点突破、典型示范:从全国范围内筛选代表性区域、行业和企业,由国家重点支持实施示范工程,然后进一步在全国范围内全面推广:
企业:龙头企业实施、上下产业链互
行业:典型行业示范、其他行业推广
区域:重点区域入手、逐步全面铺开
(3) 技术攻关、推广应用:加强对数控机械产品共性关键技术的技术攻关,进而在行业内和地区内进行全面推广应用。
(4) 人才培训、技术服务:学校、科研机构全面动员,大力开展数控机械产品创新设计的人才培养与专业培训,特别是要广泛动员与强力组织对广大企业家和设计工程师的培训。组织各方面力量,努力以几种模式提供数控机械产品创新设计的技术服务:1)企业委托设计;2)与企业联合设计;3)为企业进行人员培训,由企业自主设计。
4.2 协同创新
以企业为主体、市场为导向、政产学研用紧密结合,推进协同创新。
(1) 科技部、工信部等国务院有关部门将实行强有力的领导,建立领导机构,推进顶层设计,提供政策和资金支持,加强宏观管理。各行业主管部门和地方科技部门将加强组织实施管理,认真制定行业规划和推广计划,落实各方面保障措施。
(2) 建立各个层面的产学研用创新联盟,将各行业、各地方具有技术优势的生产企业、高校、研究院所、用户企业组织起来,形成数控机械产品创新联盟。
(3)企业是面向市场的主体,是财政投入的主体,当然是技术创新的主体。市场的驱动和企业的积极性是产品创新成功的关键,必须从根本上调动企业家、管理者和工程师的积极性。同时,高校和科研院所中蕴藏着为我国机械工业贡献力量的巨大积极性,要采取有力措施,动员他们、组织他们、依靠他们。政产学研用协同创新,形成中国特色的“数控一代”机械产品创新体系,团结奋斗,努力完成这样一个伟大的创新工程。
我们有一个共同的奋斗目标:经过5~8年的时间,中国的机械产品全面升级为“数控一代”,再经过10年左右的时间,到2030年,中国的机械产品全面升级为“智能一代”,整体上走到世界前列,为中国的现代化做出基础性、战略性的贡献。
